Sadly even if I tried hard, it was very challenging if not mission impossible to get a deepsleep of 10 uA, eventhough in the MCU datasheet might say that it consumes as low as 1 uA when it’s on deepsleep.
And why is that?
For a variety of reasons all quite hard to grasp. But the most important thing is that every pull-down / pull-up might consume, LDOs that convert 5V to 3V3 also have quiescent current (or IQ) that is the current drawn by a system in standby mode with light or no load.
It’s 1uA there, 4 uA over that place, and summing slowly all together plus any possible leak that you might have you end up having a deepsleep major than 20 uA (In best case scenarios) and major than 50 uA in normal cases.
Now met the japanese Agenda SHARP WG-10 (there are many different models)

This I bought end of 2023 and I charged it only once to make the battery full. And it consumes in the range of nanoAmpers when in deepsleep. It has a slide to right button instead of push, that ensures you are at least 200 to 250 milliseconds in that ON position, and when it turns the MCU ON it holds power until you slide it again to turn it OFF or it turns off automatically after 5 minutes of inactivity.
And you may say something like “ahh yes but they are SHARP” sure of course they know their stuff and the LCD display also consumes under 1 uA when active, probably resistive touch is better than capacitive, and a large list… with the added benefit that they have the budget to make dozens of iterations before launching a product to the market. But essentially their electronic design is very well made. The idea of auto turn off and keeping all peripherals including USB transfer OFF till it’s needed, auto power off, is very well though before even starting the Schematics.
In the pursuit of making a similar concept I wanted to start a new repository.
Where I will invite all electronic hobbyst’s to participate and discuss, propose different designs and try out very basic PCBs that are all open source and could be used as a base to start any new project. Starting with an already known deepsleep consumption that is lower than the average maker project, where most of the things are turned off.
The only pre-requisite is that we will have a parts/ folder where we will share Symbols, Footprints and 3D files. And it should be also possible to make with parts found in JLCPCB Assembly service. And then each developer can propose a different take in new directories, adding any non-common parts in it’s own directory.
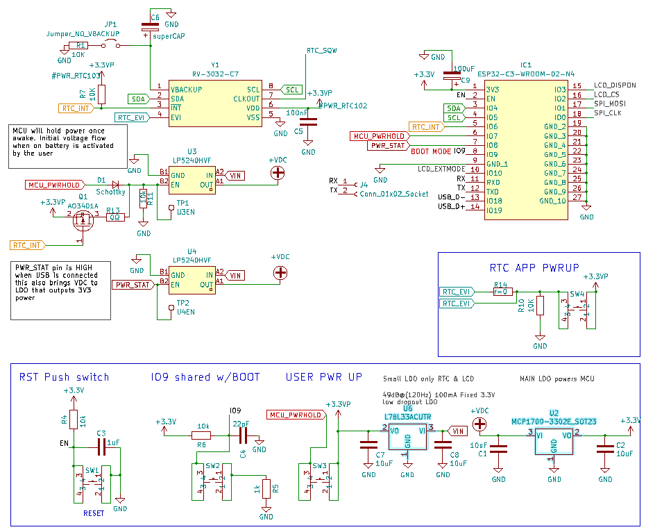
I also want to apply this to some client designs so the first PCB is on Folder ultra-low-pcb and it will have the following idea:
There will be 2 LDOs one that is U6 (L78L33ACUTR) and is responsible only to feed RTC, LCD and 3V3 for those parts that need to be alive when everything is OFF (Including MCU)
And main LDO is U2 (MCP1700 3V3) which will be on only when the system wakes up and keeps power. Essentially getting rid of whatever quiescent current it might have so we could even switch it for a different model.

There you can see both LDOs:
– C14170 (U6) responsible just to feed 3V3 power to RV3032 RTC and SHARP memory LCD
– C39051 (U3) datasheet claims it has a “typical” quiscent current of 1.6 uA
As for MCU we just selected an ESP32-C3 module since it’s not super important what Microcontroller to use. It’s more about proving the fact that we can turn OFF everything that does not need to stay consuming.
Feel free to check the full schematics here.
And also if you have good tips on how to make it better please leave any comment about how to optimize it.
Contributors will receive a PCB shipped for free to any point of Europe. Limited to 4 PCBs per release, since I keep one of each.
For historical reasons let’s place here also the Tweet that started the hole idea



Many thanks to JLCPCB for the collaboration and sponsoring in this projects. If you like to see them in your X timeline just follow JLCPCB account!
This is still on development but soon I will release my own take on power off everything.